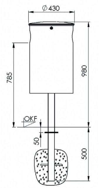
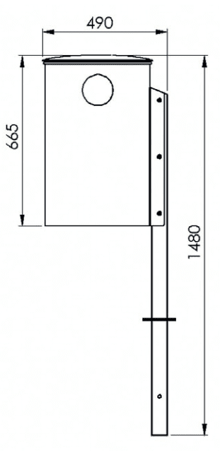
Abfallbehälter mit Pfosten, Inhalt 50 L, zum einbetonieren
— 1480x430x490 mm HxBxT
— Abfallsammlung mittels Einsatzbehälter mit 2 Grifflaschen
— Masse Innenbehälter: H 665 mm, Ø 430 mm
— Inhalt 50 Liter
— feuerverzinkt + pulverbeschichtet
— Behälter 1.25 mm
— stabile und verschliessbare Deckelscheibe Deckel 3 mm
— Quadratrohr 60x60 mm
— zweiteiliger Quadratrohrpfosten inkl. Erdanker
— innenliegendes Dreikant-Hakenschloss inkl. Dreikantschlüssel
— gelochter Boden für Wasserablauf
— 2 seitliche Einwurföffnungen Ø 120 mm